Профиль DECORE-S6-EXT-V-COMFORT-2000 ANOD внешний (Arlight, Алюминий) 043163 в Ульяновске
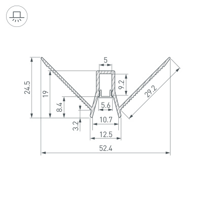
Встраиваемый угловой алюминиевый анодированный профиль для светодиодных лент и линеек под строительную отделку с утопленным экраном для контурной подсветки внешних углов. Габаритные размеры этого профиля составляют 2000 мм в длину, 52,4 мм в ширину и 24,5 мм в высоту. Площадка для установки светодиодных лент позволяет использовать ленту шириной до 5 мм и мощностью до 22 Вт/м. Это обеспечивает гибкость в выборе светодиодных лент и создает потрясающие световые решения. Экран, заглушки и другие аксессуары не включены в комплект и приобретаются отдельно. Цена указана за 1 метр профиля. Отличное решение для создания современных световых проектов.
Алюминиевый анодированный угловой профиль для светодиодных лент и линеек, под строительную отделку. Фиксируется при помощи строительной смеси. Декоративная контурная подсветка внешних углов стен и конструкций. Габаритные размеры (L×W×H): 2000x52,4x24,5 мм. Ширина площадки для ленты 5 мм. Экраны, заглушки и другие аксессуары приобретаются отдельно. Цена за 1 метр.
043163 Arlight Профиль Встраиваемый со скрытым фланцем Фигурный Серебристый в Ульяновске
Вы можете заказать Профиль Arlight с доставкой или самовывозом в Ульяновске
просто достаточно позвонить менеджеру и сообщить артикул товара: 043163 или оформить заказ на сайте Arlight Shop Ульяновск
Характеристики
|
Объем м3
|
0.00192 |
|
Гарантия м.
|
36 |
|
Материал корпуса
|
Алюминий |
|
Способ монтажа
|
Встраиваемый со скрытым фланцем |
|
Назначение
|
Для контурной подсветки |
|
Форма (сечение)
|
Фигурный |
|
Цвет покрытия
|
Серебристый |
|
Тип товара
|
Профиль |
|
Гарантийный срок
|
3 год(а) |
|
Модельный ряд
|
ARH-DECORE |
|
КПД профиля (cветовой)
|
49 % |
|
Рассеиваемая тепловая мощность на 1м
|
max: 22 W |
|
Ширина световой линии
|
7 мм |
|
Внешний вид поверхности
|
Матовая |
|
Покрытие поверхности
|
Анодирование |
|
Длина
|
2000 мм |
|
Ширина
|
52.4 мм |
|
Высота
|
24.5 мм |
|
Ширина площадки
|
5 мм |
|
Глубина установки источника света
|
10.6 мм |
|
Кратность цены за 1 м/шт
|
1 |
|
Мощность (прайс)
|
22 Вт |






